自吸式灑水車泵適用范圍-湖北灑水車配件廠家
簡介:自吸式灑水車泵適用范圍-湖北灑水車配件廠家
自吸式灑水車泵適用范圍-湖北灑水車配件廠家
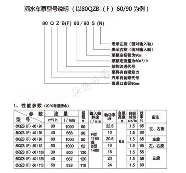
自吸式灑水車泵適用范圍 自吸式灑水車泵適用范圍:自吸式灑水車泵有好幾種規格型號,適用于不同型號、不同車型的灑水車:東風金霸灑水車、東風多利卡灑水車東風康霸灑水車、東風金鋼灑水車、東風勁卡灑水車福田單橋灑水車、福田2-3方灑水車、福田歐馬可灑水車福田5方灑水車、福田奧鈴灑水車、江鈴灑水車小解放灑水車、東風車型、東風小霸王、東風福瑞卡、東風金霸、東風勁卡、東風之星、福田時代、祥瑞、賽瑞、福瑞以上車型適用于65QZ-40/45N自吸式灑水車泵。東風140尖頭灑水車、東風平頭灑水車、東風145灑水車東風尖頭灑水車、解放灑水車、東風153灑水車東風天錦灑水車解放單橋灑水車、東風140長頭車尖頭車、東風平頭車、齊頭車、140車型、玉柴車型康明斯車型、解放車型、福田車型、江淮車型、江鈴、躍進、農用車等車型。以上車型適用于80QZF-60/90N自吸式灑水車泵。


自吸式灑水車泵適用范圍-湖北灑水車配件廠家