灑水車水泵為什么會灑水-湖北程力
簡介:灑水車水泵為什么會灑水-湖北程力
灑水車水泵為什么會灑水-湖北程力
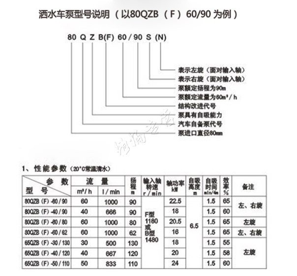
灑水車水泵為什么會灑出熱水 近日,有客戶向我部門打來求助電話,原因是他的灑水車水泵灑出的水是熱的,因該客戶需要用灑水車給樹苗灑水,而熱水對樹苗是不利的。 我部門經理對客戶反應的這個問題進行進一步核實。此客戶是去年8月份購買的杭州威龍灑水泵,型號是80QZF-60/90N,此型號灑水車水泵適用于8噸以上灑水車,此客戶的灑水車主要用于道路灑水和樹苗噴水用。近兩天卻發現灑水車水泵里面的水灑出來是熱的。經詢問,我部門分析原因:近段時間天氣炎熱,該客戶的灑水車取水處經過太陽照曬,水已變得溫熱,抽到罐體內再通過灑水車水泵噴灑出來后,水就顯得比常溫水熱一些。 針對此問題,我部門經理給客戶提出建議,建議抽水時間選擇在早上。該客戶按照我們的建議,灑水車現已正常工作


灑水車水泵為什么會灑水-湖北程力